产品中心

华宇杰明产品展示

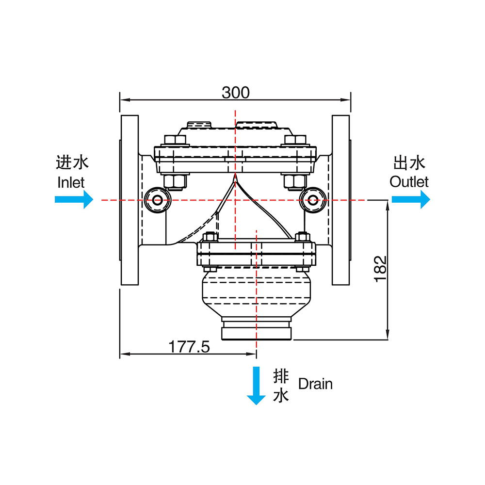
4" 反冲洗阀(两位三通阀)
  • 结构简单,安装容易
    液动控制灵敏
    最大程度减少切换摩擦
    高可靠性
    耐腐材质
    迅速切换水流方向

控制阀规格参数:

型号材质进出口径 / 连接形式反洗排污口 / 连接形式
T- 4 x 3
铸铁
DN100(4")法兰 flangeDN80(3" )/ 卡口(外)
DN65(2.5")/ BSP螺纹(内)
T- 4 x 4

DN100(4")法兰 flange

DN100(4")/ 卡口(外)
DNB0(3")/ BSP螺纹(内)




上一篇:6" / DN150 V型隔膜阀

下一篇:没有了!

联系我们
我们将在24小时内与您联系